產品介紹
詳細內容
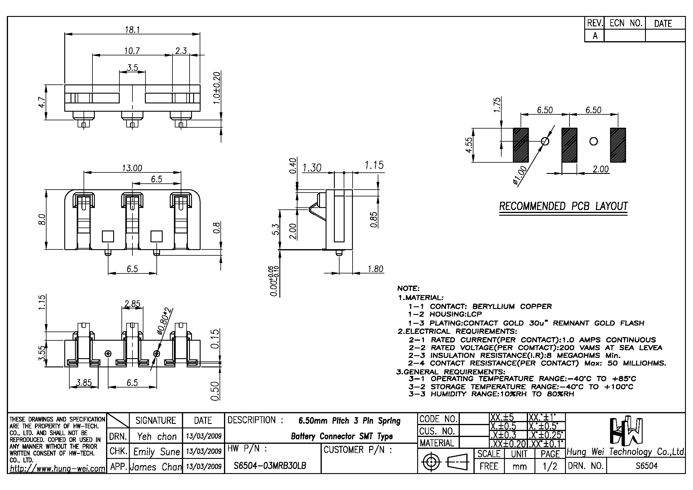
S6504--6.5 Pitch Straight 3P-----------------------彈片型立式有柱
| 所屬分類: | Spring Battery Connector |
|---|
詳細介紹
1. No. of Pin : 3P SMT Type
2. Plastic Height : 8.00mm(H) 4.70mm(W)
3. Contact Height : 5.30mm


