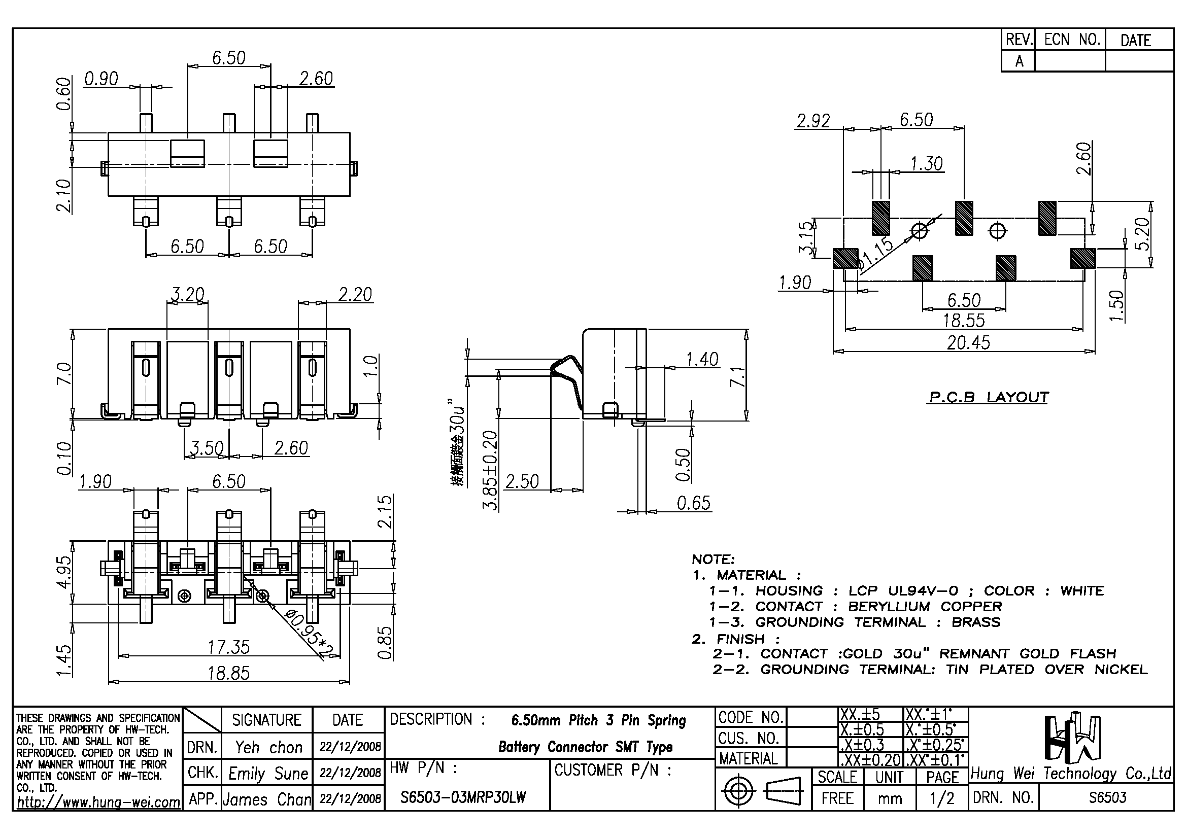
產品介紹
詳細內容
S6503--6.5 Pitch Straight 3P-----------------------彈片型立式有柱
| 所屬分類: | Spring Battery Connector |
|---|
詳細介紹
1. No. of Pin : 3P SMT Type
2. Plastic Height : 7.00mm(H) 4.90mm(W)
3. Contact Height : 3.85mm

